ラインスキャンカメラ
TLC-8K10FCL
特長
- 10μmスクエアと画素サイズが大きく、高感度・高精細な画像を得ることができます。
- グローバルシャッタ機能及びFFC機能を搭載しています。
- 独自設計による小型・軽量製品です。
- 10μmとライン間隔が狭く、斜めからの撮像でも角度の影響を受けにくくなっています。
用途
- 画像検査などの画像処理装置の入力機器
- 半導体ウエハ・液晶パネルの検査機器用途
- 外観検査や各種寸法測定などの計測装置の入力機器
- シート状物体表面検査装置の入力機器
- 高画質のパターン検査装置入力機器
- その他コンピュータと接続して行う画像処理
感度波長特性
仕様
| 型式 | TLC-8K10FCL |
|---|---|
| 撮像素子 | 3Line カラーCMOS |
| 画素数 | 8,192x3Line ライン間隔 10μm |
| 画素サイズ | 10μm×10μm |
| 受光素子長 | 81.92mm |
| データレート | Medium 85MHz×6Tap Deca 85MHz×10Tap |
| スキャンレート | Medium 20 kHz Deca 28.7 kHz |
| ライン転送パルス入力 | 50μsec(Min) |
| ビデオ出力(デジタル) | Camera Link |
| 飽和露光量(e-) | 40k (typical) |
| フランジバック | 12mm |
| 電源容量 | +12V ±0.5V(1A 以下) |
| レンズマウント | M95, P=1mm |
| 動作温度範囲 | 0~40℃(結露のないこと) |
| 重量 | 750g以下 |
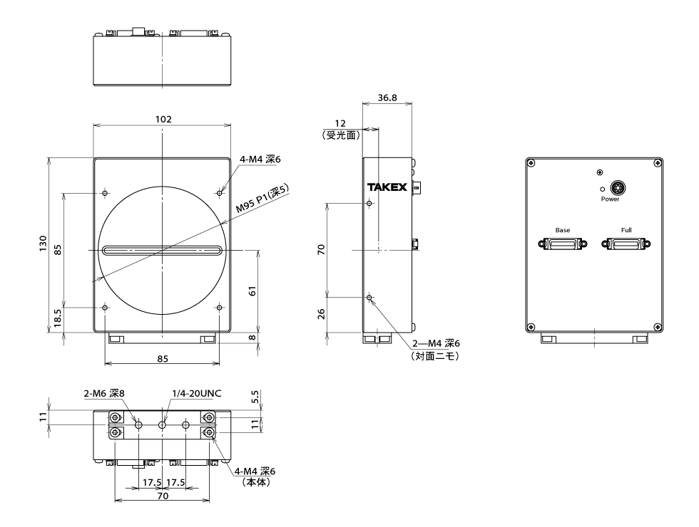
| 外形寸法 | 102(W)×130(H)×37(D)突起部除く |
※ 仕様は改良などのため、予告なく変更されることがありますのでご了承ください。
外形寸法図
