ラインスキャンカメラ
TL-23K35FCL
特長
- 各メーカーのキャプチャーボードと接続し、高精度な画像処理システムを構築できます。
- 画素サイズ 3.5μmスクエアのCMOSセンサーにより、高精細な画素の撮像が可能です。
- グローバルシャッタ機能及びFFC機能を搭載しています。
- DC12Vの単一電源で動作します。
用途
- 画像検査などの画像処理装置の入力機器
- 半導体ウエハ・液晶パネルの検査機器用途
- 外観検査や各種寸法測定などの計測装置の入力機器
- シート状物体表面検査装置の入力機器
- 高画質のパターン検査装置入力機器
- その他コンピュータと接続して行う画像処理用途
感度波長特性
仕様
| 型式 | TL-23K35FCL |
|---|---|
| 撮像素子 | CMOS Image sensor |
| 画素数 | 23,408×1Line |
| 画素サイズ | 3.5μm×3.5μm |
| 受光素子長 | 81.93mm |
| 飽和露光量(e-) | 24ke-(typical) |
| ビデオ出力 | Deca / Full / Base Configuration |
| データレート | Deca 850MHz(85MHz×10TA) |
| スキャンレート | 36.1kHz |
| ライン転送パルス入力 | 27.7μsec(Min) |
| 電源容量 | +12V ±0.5V(1.0A以下) |
| 動作温度範囲 | +10~+40℃ |
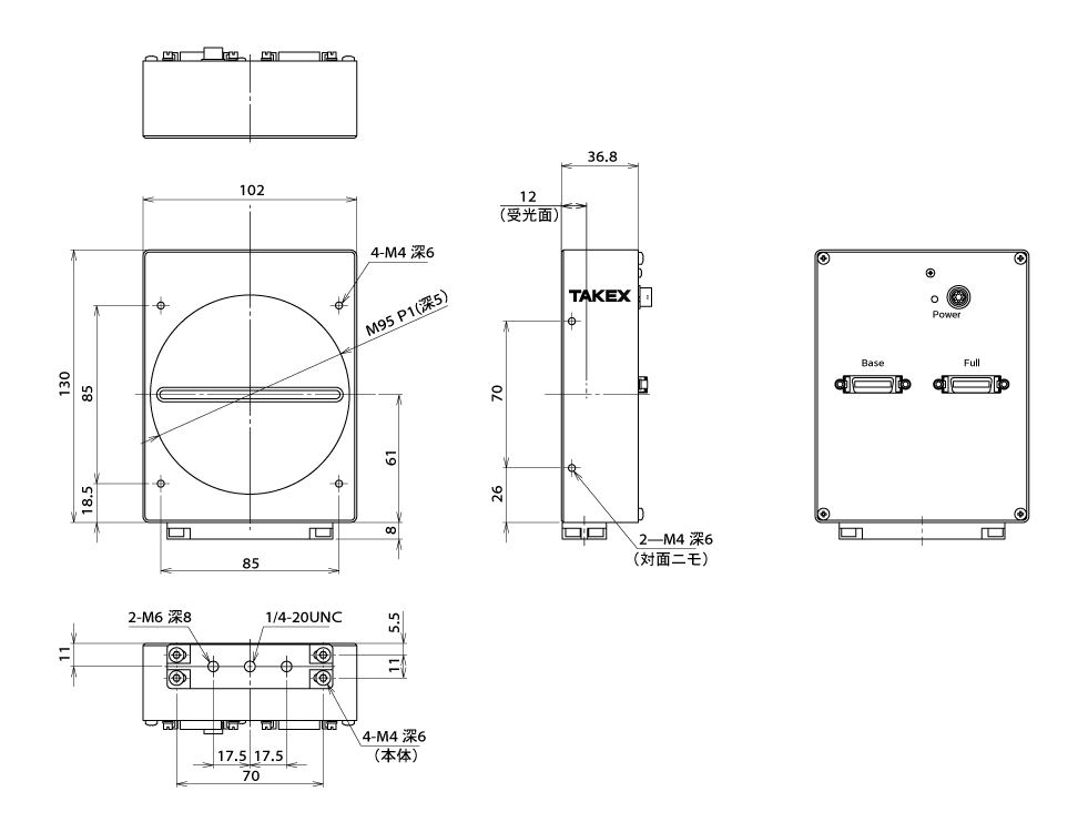
| レンズマウント | M95、P=1.0mm |
| フランジバック | 12mm |
| コネクタ | 12V電源 HR10A-7R-6Pヒロセ電機 カメラリンク MDR×2 |
| 重量 | 700g以下 |
| 外形寸法 | 102(W)×130(H)×37(D) 突起部除く |
※ 仕様は改良などのため、予告なく変更されることがありますのでご了承ください。
外形寸法図
