ラインスキャンカメラ
TL-12K35CXP

TL-12K35CXP

概要

  • Fマウントイメージサイズの最大画素数12,288画素CMOSリニアセンサー搭載
  • 垂直ビニング機能により約2倍の感度アップが可能
  • 4画素ビニング機能を使うことで、6,144画素×7μmスクエアのカメラとしても使用できます。
  • 2LineTDI機能により低ノイズが可能
  • 独立した露光時間制御によるハイダイナミックレンジ撮像

カタログPDF 取扱説明書PDF

特長

  • 各メーカーのキャプチャーボードと接続し、高精度な画像処理システムを構築できます。
  • 画素サイズ 3.5μmスクエアのCMOSセンサーにより、高精細な画素の撮像が可能です。
  • グローバルシャッタ機能及びFFC機能を搭載しています。
  • 汎用性の高いFマウントを採用しました。
  • PoCXPもしくはDC12Vの単一電源で動作します。

用途

  • 画像検査などの画像処理装置の入力機器
  • 液晶パネルの検査機用途
  • 外観検査や各種寸法測定などの計測装置の入力機器
  • シート状物体表面検査装置の入力機器
  • 高画質のパターン検査装置入力機器
  • その他コンピュータと接続して行う画像処理用途

感度波長特性

感度波長特性

仕様

型式 TL-12K35CXP
ビデオ出力 CoaXPress準拠
撮像素子 モノクロCMOS
画素数 12,288×2Line
画素サイズ 3.5×3.5μm
受光素子長 43.008mm
ビデオレート CXP12×4 :119.85k(CXP8bit)/119.85k(CXP10bit)
CXP12×2 :118.65k(CXP8bit)/97.66k(CXP10bit)
CXP12×1 :72.23k(CXP8bit)/58.07k(CXP10bit)
スキャンレート(scan/sec) シングル :119kHz
デュアル :59kHz
飽和露光量(e-) 5.6k(typical)
レンズマウント Fマウント
フランジバック 46.5mm
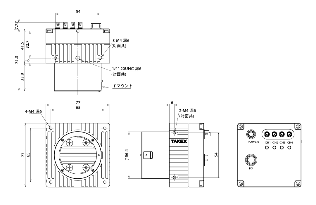
外形寸法 77(W)×77(H)×75.3(D)突起部除く

※ 仕様は改良などのため、予告なく変更されることがありますのでご了承ください。

外形寸法図

外形寸法図