モニター直結DVIカラーカメラ
FSM2MLDV

FSM2MLDV

概要

  • 一般的なフルHDモニタに接続できるDVIカメラです。
  • フルHD(1080p)の映像をPCレスで得られるため、観察システムなどを安価に構築することが可能です。
  • モニタに表示されるOSD(ON SCREEN DISPLAY)をリモコンで操作することにより、クロスライン・シャドーマスク等を映像上に表示できます。

カタログPDF 取扱説明書PDF

特長

  • 直感的な操作が可能
  • 現場での即時設定が可能
  • 画像反転機能で柔軟な設置対応
  • ホワイトバランス等の制御
  • ALC(自動光量制御)のON/OFF切替
  • 設定の保存・復元が可能

用途

  • 切断位置確認
  • 製造ライン監視
  • セキュリティ監視
  • 遠隔監視
  • 医療・研究分野

感度波長特性

感度波長特性

仕様

型式 FSM2MLDV
撮像素子 1/2.8インチ 216万画素 プログレッシブカラー
ローリングシャッタ
画素数 1920(H)×1080(V)
画素サイズ 2.9×2.9μm
出力 DVI 1.0準拠 RGB
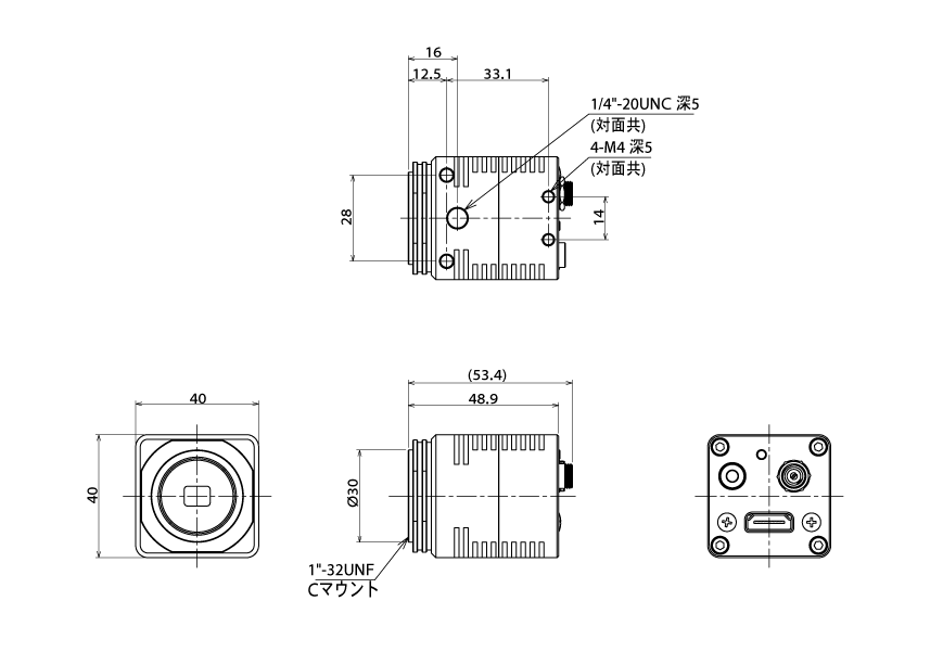
外形寸法 40(W)× 40(H)×48.9(D)mm(コネクタ除く)
電源 入力電圧 +9 ~ +15 Vdc(Typical : +12 Vdc)
消費電力 2.1W
搭載機能 ALC
(オートレベルコントロール)
AEE/AGC連動(初期値: ALC On)
露光制御 AEE/固定シャッタ(初期値: AEE)
露光時間: 1 / 33,750 秒 ~
ゲイン AGC /固定ゲイン(初期値: AGC) 0~45 dB
ガンマ補正 マニュアルおよび8種類のプリセット値
(0.3/0.45/0.5/0.6/0.7/0.8/0.9/1)
(初期値: マニュアル)
ホワイトバランス オートホワイトバランス/マニュアルホワイトバランス
ラインメーカー 各6本の水平/垂直ラインマーカー Off(初期値: Off)
サークルマーカー 1本のサークルマーカー(初期値: Off)
画像反転 左右反転/上下反転/左右上下反転/Off(初期値: Off)

※ 仕様は改良などのため、予告なく変更されることがありますのでご了承ください。

外形寸法図

外形寸法図